• +86-13526935931
  • gwdlthermo@gwdl.com

Multi-Zone Temperature Controlled Pit Furnace

Multi-zone temperature control: 3 independent zones ensure ±10℃ uniformity.

Multi-Zone Temperature Controlled Pit Furnace

Multi-Zone Temperature Controlled Pit Furnace

Rated Temperature:1000℃
Operating Range:50–1200℃
Temperature Zones:3 independent zones (upper, middle, lower)
Temperature Uniformity:±10℃ (multi-point control for larger chambers) Heating Rate 1℃/h – 20℃/min adjustable
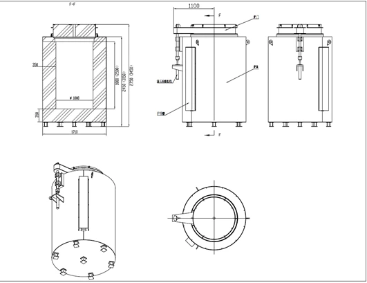
Refractory Lining:Vacuum-formed alumina insulation + mullite reinforcement at loading areas
Furnace Lid:Hydraulic lifting mechanism

Product Video

Product Introduction

The GWDL-JR series pit-type furnace is specially designed for research institutes, universities, and industrial enterprises for the sintering, melting, analysis, and production of ceramics, metallurgy, electronics, glass, chemicals, machinery, refractories, new materials, special alloys, and other metallic and non-metallic compounds.

The furnace body and lid are made of vacuum-formed high-purity alumina lightweight insulation material, while the furnace bottom adopts a refractory brick structure with excellent load-bearing capacity.
Equipped with high-temperature alloy resistance strips (with molybdenum, up to 1450℃ surface temperature) as heating elements, it ensures reliable long-term operation.

The control system features multiple temperature control zones, a 7-inch touchscreen, programmable PID control with up to 50 heating/cooling segments, historical data storage, and report generation. With multi-point control and protective corundum-mullite shielding plates, the system offers stable performance, precise temperature uniformity, and enhanced service life.


Technical Parameters

CategoryParameters (1000℃ Model)
ModelGWDL-JR
Rated Voltage380V, 50Hz
Control Voltage220V
Rated Temperature1000℃
Operating Range50–1200℃
ThermocoupleK-type, 0–1320℃
Heating ElementHigh-temperature alloy resistance strip (with molybdenum), surface temp. up to 1450℃
Heating Element LayoutSurrounding furnace chamber, protected by corundum-mullite guard plates
Temperature Accuracy±1℃
Temperature Zones3 independent zones (upper, middle, lower)
Temperature Uniformity±10℃ (multi-point control for larger chambers)
Heating Rate1℃/h – 20℃/min adjustable
Furnace LidHydraulic lifting mechanism
Furnace StructureCNC processed carbon steel, double-layer air cooling
Refractory LiningVacuum-formed alumina insulation + mullite reinforcement at loading areas
Insulation LayerTriple-layer: Al₂O₃ fiber, alumina fiber, polycrystalline alumina fiber (total 350mm)
Furnace Shell Temp.≤45℃ during long-term operation
Control ModeThyristor (SCR) closed-loop trigger control with overcurrent, overvoltage, overload protections
Touchscreen7-inch HMI, curve storage, historical data, reporting
Program ControlUp to 50 segments (multi-curve storage & recall)
Display ParametersTemperature, zone number, remaining time, output power %, voltage, current
ProtectionDual-loop safety: over-temp, overvoltage, phase loss, overcurrent, sensor breakage, etc.

Key Features

  • Multi-zone temperature control: 3 independent zones ensure ±10℃ uniformity.
  • Reinforced heating element protection with corundum-mullite boards.
  • Advanced insulation: triple-layer design reduces energy loss by over 80% compared with old furnaces.
  • Hydraulic lid lifting for easy loading/unloading.
  • Smart control system: 50-segment programmable PID with touchscreen interface.
  • Comprehensive safety: dual-loop protection, real-time monitoring, automatic alarms
Connect with Us Today
Phone:+86-13526935931
Email:gwdlthermo@gwdl.com